
E.P
전기집진시설
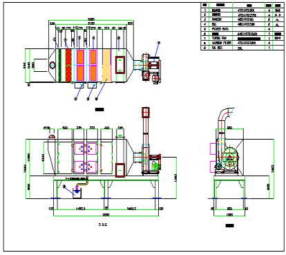
ELECTROSTATIC PRECIPITATOR (E.P) SYSTEM
전기력을 이용해 미세입자를 고효율로 분리·제거하는 집진 시스템
전기집진시설 (E.P)
정전기력을 이용하여 가스 중의 미세 분진 및 부유입자를 분리·제거하는 집진 장치입니다. 코로나 방전을 이용해 가스 이온을 만들고, 이 이온이 미세입자에 부착되면서 전하를 띠게 됩니다. 전하를 띤 입자들은 전기장 내부에서 집진판으로 이동하여 포집되는 방식입니다. 미세먼지 제거 효율이 매우 높고 저압 손실로 인해 에너지 소모가 적어 다양한 산업 분야에서 폭넓게 사용되고 있습니다.
적용 사업장
- • OIL MIST 제거
- • FUME 제거
- • DUST 제거
- • D.O.P 가스 제거용
- • 공조설비 및 집진설비
- • 전기·전자 조립 공장